咨询热线
13507300990
网站首页
走进友联
产品展示
荣誉证书
案例展示
新闻中心
在线询价
联系我们
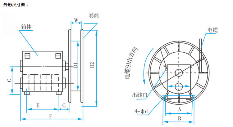
电缆卷筒
分类导航
起重电磁铁
除铁器
电缆卷筒
电磁搅拌器
磁选机
整流控制设备
弹力电缆卷筒悬臂式
力矩电机...
磁滞式电...
我要留言 / 反馈
首页
电话
咨询
地图
详细地址: 湖南省岳阳市经济技术开发区木里港大道(现代工业产业园9栋6层)